


陶瓷可調電阻RM085G-V6產品簡介
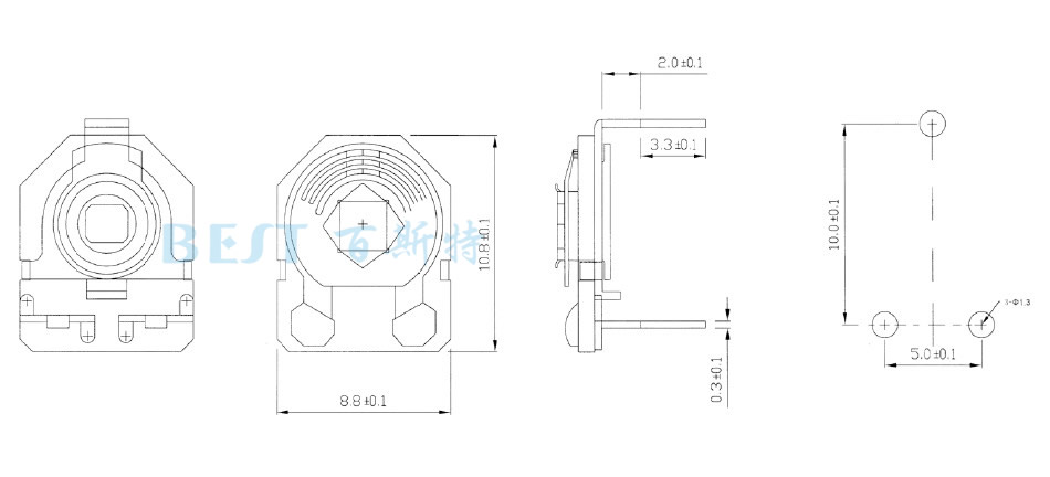
RM085G-V6是陶瓷插件可調電阻,直徑為8mm。功率0.5W。誤差20%和10%(需定做)。陶瓷可調電阻具有耐高溫、防潮等等特點。廣泛應用于安防產品如樓宇對講,家用電器等產品上面。RM085G-V6為三腳臥式頂調不帶帽,腳距為5*10。包裝為500個一袋。
陶瓷可調電阻RM085G-V6技術參數
電位器性能:
阻值范圍(Ohms) : 100~4.7M
阻值偏差: ±20
阻值變化特征: B
最高使用電壓:AC30V
額定功率: 0.5W
轉動噪音: 100mV
殘留阻值: R≤ 1kΩ, R01,R03≤ 10Ω
R>1kΩ, R01,R03<1%R
機械特征:
旋轉角度 : 240°±10°
旋轉力矩: 5~35mN?m
止檔強度: 50 mN?m
陶瓷可調電阻RM085G-V6參考圖紙
單位:mm


Copyright © 廣東精密龍電子科技有限公司 版權所有 粵ICP備17035144號 粵公網安備44130202001184號
全國服務電話:0755-83205533 傳真:0755-83761155
公司地址:深圳市龍崗區龍崗大道8288號深圳大運軟件小鎮45棟2樓

